蓝精灵论坛北京地区
接待離開常州市南邊電器元件廠無窮公司!
|
分享到:
常州市南邊電器元件廠無窮公司
年 專業經歷,定制無窮能夠
天下辦事熱線:
0519-83280538
網站首頁
藍精靈論壇北京地區:
產物中間
藍精靈論壇北京地區:
出產&研發
正視品德
消息中間
藍精靈論壇北京地區:
對于咱們
接洽咱們
人材雇用
熱點關頭詞:
電感器
電阻器
電子變壓器
首頁
>
產物中間
>
電阻器
>
藍精靈論壇北京地區:金屬外殼線繞電阻器
> RX600鋁殼底盤裝置線繞電阻器
產物中間
Products Center
電感器
工字電感(立臥式)
環形電感類
共模濾波器和差模電感器
棒形電感
藍精靈論壇北京地區:
色碼電感
藍精靈論壇北京地區:
貼片功率電感類
電子變壓器
藍精靈論壇北京地區:
高頻變壓器類
低頻變壓器類
藍精靈論壇北京地區:
電阻器
陶瓷外殼線繞電阻器
藍精靈論壇北京地區:
被釉線繞電阻器
被漆線繞電阻器
藍精靈論壇北京地區:
金屬外殼線繞電阻器
藍精靈論壇北京地區:
敞露式線繞電阻器
藍精靈論壇北京地區:
車用線繞電阻器
具備特征的電阻器
藍精靈論壇北京地區:
膜式電阻器
藍精靈論壇北京地區:
RAB1外表裝置線繞電阻器
藍精靈論壇北京地區:
RAB2外表金屬膜電阻器
藍精靈論壇北京地區:
大功率射頻電阻器
藍精靈論壇北京地區:
RMC-CC型陶瓷電阻器
高壓玻璃釉電阻器
藍精靈論壇北京地區:
保險絲和熔斷電阻器
藍精靈論壇北京地區:
NF02陶瓷保險絲
藍精靈論壇北京地區:
節能燈用保險絲
藍精靈論壇北京地區:
RF10被漆線繞熔斷電阻器
SMD線繞熔斷電阻器
RXF線繞熔斷電阻器
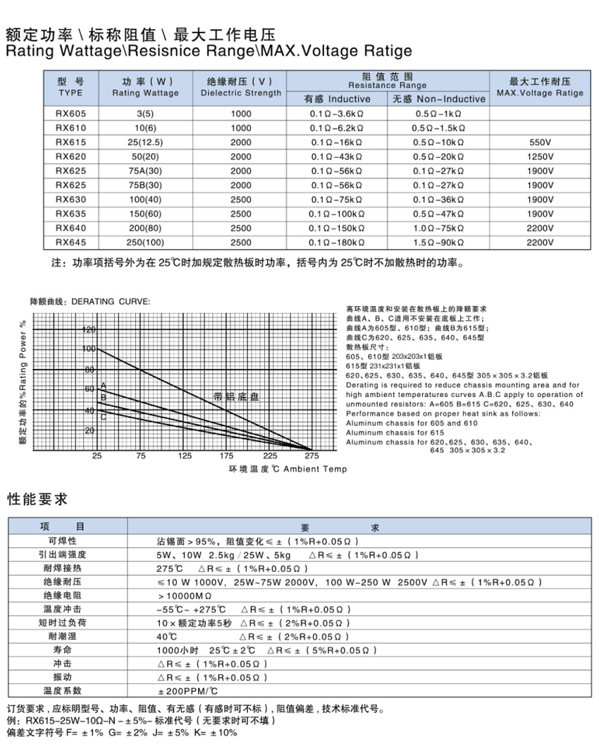
RX600鋁殼底盤裝置線繞電阻器
辦事熱線:0519-83280538
分享:
當即征詢
...
產物概況
前往
當即征詢
您要征詢的具體內容 *
RX600鋁殼底盤裝置線繞電阻器
請留下您的姓名 *
請留下您的德律風 *
您的經常使用接洽信箱
考證碼 *
點擊革新
其余產物
藍精靈論壇北京地區:RX18型鋁殼線繞電阻器
LKZ型鋁殼線繞電阻器(正面槽)
藍精靈論壇北京地區:RX19型鋁殼線繞電阻器
新品保舉
環形差模電感器
三腳工字電感
CDRH83/84/85/86 SERIES
相干產物
立式LGB型工字電感
臥式工字電感
環形差模電感器
共模濾波器系列
相干消息
1.美國將寬免12種中國電子元件入口商品的25%高額關稅
2.2018年6月咱們公司的 牢固電感器產物 被 常州市迷信手藝局 認定為 常州市高新手藝產物 并頒發證書。
3.祝賀公司取得 水泥電阻 專利!
藍精靈論壇北京地區:4.碳膜電阻和金屬膜電阻你會辨別了嗎?
CopyRight ? 2018-2025 常州市南邊電器元件廠無窮公司 版權一切.
網站輿圖
中環互聯網設想建造
0519-83280538
藍精靈論壇北京地區:liujindong@nfdq.cn
藍精靈論壇北京地區: